Прилад, про який піде мова далі, має досить унікальні властивості: він генерує КВЧ-випромінювання в діапазоні до 115 ГГц! Він був винайдений давно, ще в минулому столітті, серійно випускався радянською промисловістю і прекрасно працював у багатьох імпульсних ланцюгах. Але про цілющі властивості такого випромінювання вчені дізналися порівняно недавно. Також є інформація про те, що крім КВЧ, цей прилад випромінює ще й випромінювач, який також благотворно впливає на біологічні об'єкти. В результаті численних експериментів було встановлено, що для лікувальних цілей досить низької інтенсивності такого випромінювання, яке може генерувати незаслужено забутий прилад - Тиратрон МТХ-90.


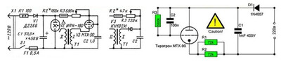
Тиратрон - це іонний (газорозрядний) прилад для управління електричним струмом за допомогою напруг, що подаються на його електроди. Він являє собою вакуумну трубку з сильно легованим катодом, заповнену газом, в якій поміщено не менше трьох електродів. Для наповнення використовуються інертні гази, пари водню або ртуті. Тиратронні електроди називаються анодом, катодом і сіткою. Сітчастий електрод розташований в циліндрі між анодом і катодом, він служить для займання газового розряду в просторі між анодом і катодом.
У цій статті ми запропонуємо вам один з варіантів схемотехніки використання даного пристрою. Відрізняється він тим, що частоти НВЧ тут модулюються лікувальними частотами звукового діапазону, які можна вибрати на сайті Sintez.top, а потім просто підключити пристрій нижче до аудіовиходу комп'ютера, планшета або смартфона (вихід на навушники). І тоді ваш пристрій буде нічим іншим, як підключеним до світової бази даних біорезонансних частот! Непогано для початку?

Пристрій реалізовано на загальному і недорогому підсилювачі низької частоти (клас А, В) - TDA7056A (DA1 за схемою), завдання якого полягає в посиленні сигналу з аудіовходу XS2 до значення, необхідного для первинної обмотки трансформатора Т1. Останній перетворює низьковольтну напругу в високовольтне, яке виробляється на його вторинному ринку (II), і якого достатньо для займання неонової плазми і світіння тиратрона VL1. Конденсатори С4 і С5 необхідні для захисту підсилювача від перевантажень постійного струму, які можуть виникати на інфранизьких частотах. Змінний опір R1 регулює яскравість тиратрона при підключенні приладу до комп'ютера. Вся схема живиться від стандартного низьковольтного блоку живлення напругою 12В, який живиться через роз'єм XS1, і є повністю безпечним для користувача.
Деталі
В якості Т1 необхідно використовувати трансформатор від абонентських гучномовців типу ТАГ-II або їм подібних, які також серійно випускалися радянською промисловістю [4]. Їх ще називають звуковими трансформаторами, тому що їх головною особливістю є перетворення звукових частот. Їх низькоомна обмотка має активний опір близько 4-8 Ом і намотана відносно товстим дротом (на нашій, за схемою, це обмотка I), а високоомна обмотка може мати опір в кілька кОм і намотуватися тонким дротом; його індуктивність може досягати декількох десятків Генрі (на нашій схемі це обмотка II). Також добре підійдуть звукові трансформатори від лампових телевізорів або магнітол. Якщо всього цього немає під рукою, то можна самостійно перетворити трансформатор з джерела безперебійного живлення в звуковий [5].
Перелік інших елементів схеми:
DA1 – підсилювач НЧ TDA7056A;
ВЛ1 – тиратрон МТХ-90;
VD1 — UF4007;
С1, С4, С5 – електролітичні конденсатори на 16В;
С2, С3 — керамічні конденсатори з допустимим відхиленням 10%;
R2 – резистор потужністю 0,125 Вт з допуском 10%;
XS1 є стандартним роз'ємом живлення. Вибирається джерело живлення;
XS2 - стандартний аудіоштекер.
Особливості монтажу
Щоб мати можливість регулювати рівень яскравості тиратрона, змінний опір R1 повинен бути розміщений на корпусі приладу. Схема розташування вивідів тиратрона зображена безпосередньо на схемі. Мікросхема DA1 повинна бути встановлена на радіаторі. Світиться сторона тиратрона повинна розташовуватися в корпусі приладу так, щоб при подальшій роботі його випромінювання могло безперешкодно досягати лікувальної області тіла.
Налаштування
Настройка схеми залежить від трансформатора Т1. Синусоїдальний сигнал від зовнішнього генератора амплітудою 1В і частотою 100 Гц повинен подаватися на вхід схеми через XS2. Регулюючи опір R1, необхідно домогтися стабільної люмінесценції тиратрона VL1. Якщо при будь-якому положенні цього резистора не спостерігається світіння, то трансформатор Т1 має невелике співвідношення вторинних і первинних витків. В такому випадку потрібно вибрати саме той трансформатор, в якому співвідношення буде вілповідати вимогам.
Середні значення амплітуди сигналу на виходах звукових карт становлять від 0,5 до 1 В. Тому другим етапом настройки може стати отримання стабільного світіння тиратрона при напрузі 0,4-0,5 В. Якщо цього можна досягти за допомогою регулювання R1, то регулювання завершена.
Експлуатації
Необхідно підключити пристрій до аудіовиходу вашого комп'ютера (планшета, смартфона), при цьому краще відключити інші аудіопристрої. На сайті Sintez.top вибрати лікувальні програми, і повернути повзунок гучності на максимум. Увімкніть відтворення програм. За допомогою повзунка резистора R1 встановіть стійке світіння тиратрона. Орієнтуйтеся на лікувальний ефект.
До речі, терапевтичні частоти можна брати і з інших джерел. Наприклад, якщо потрібна тільки одна частота, то її можна отримати зі стандартного генератора сигналу.
---------------------------------------------
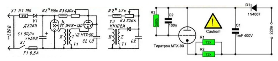
У первинній схемі немає замикання тиратрона в ланцюг для двох періодів синусоїдального сигналу, який формує ТДА7056А. Схемотехніка експлуатації для даного елемента використовує можливість руху зворотної півхвилі сигналу через тиратрон:

Звуковий сигнал і більшість файлів VBR забезпечують повний синусоїдальний сигнал. Для цієї мети я додав до схеми конденсатор [С6] 1 мкФ (200-400В). Можливо, буде потрібно струмообмежувальний резистор в ланцюзі. Але ефективніше розрахувати мінімальну напругу для роботи тиратрона.
Рекомендую використовувати файли з волонтерського ресурсу в телеграмі. Там найбільший арсенал файлів для біорезонансної терапії.
Посилання на проект: БРТ & Вихревой биорезонанс https://t.me/vbr_chat
https://radiomurlo.narod.ru/PICs_8/MTX_90_1/MTX_90_1.html
Источник: https://gorchilin.com/articles/radiant/mtx90 |